Pembahasan UAS
Rangkaian aplikasi: mic dan speaker
Prinsip Kerja :
Arus akan mengalir ke baterai 15V menuju transistor Q2 ,kapasitor
C1 resistor R3 dan ke resistor R1 dan di teruskan ke microphone lalu ke ground,
dari microphone apa bila microphone menerima suara maka akan di rubah kedalam
bentuk gelombang AC lalu diteruskan ke C2 lali di teruskan ke R2 lalu ke R6 serta
C3 lalu ke ground dan lalu arus AC juga diarahkan ke basis Q1 sehinggi Q1 aktif,
karena Q1 aktif maka arus mengalir dari kolektor R4 di teruskan ke emitter lalu
ke R3 dan C4 lalu ke ground, karena transistror Q1 aktif ma aka nada arus
mengalir ke basis transistor Q2 sehingga transistor Q2 menjadi aktif sehingga
ada arus mengalir dari kolektor ke emitter lalu di lanjutkan ke R5 dan C5, dari R5 dilanjutkan ke R6 dan C1
lalu ke ground, dari C5 dilanjutkan ke speaker lalu ke ground sehingga suara
dari microphone akan di keluarkan melalui speake 2. Soal nomor 13 (sensor LDR ) [Kembali]
Rangkaian aplikasi: Lampu taman otomatis
Saat intensitas cahaya matahari rendah
Prinsip kerja:
Baterai
sebagai sumber tegangan. Tegangan akan dialirkan menuju LDR, R2, D1 dan
RL1. Tegangan dari sumber menuju D1 tidak dilewatkan karena D1
terpasang secara reverse bias. R1 dan LDR berfungsi sebagai pembagi
tegangan.
Saat
intensitas cahaya rendah,resistansi LDR menjadi sangat besar dan
resistansi LDR lebih besar dibanding resistansi R1 maka tegangan pada R1
menjadi lebih kecil.tegangan R1 sama dengan tegangan antara kaki basis
dan emitor transistor Q1. Karena VBE lebih kecil dari 0,7 volt maka Q1 tidak aktif. Karena Q1 tidak aktif maka VCE pada Q1 menjadi besar, VCE pada Q1 sama dengan VBE pada
Q3 sehingga Q3 aktif dan tegangan dari R2 akan diteruskan menuju Q3.
Tegangan dari sumber yang dialirkan menuju relay lalu dialirkan menuju
ground sehingga relay menjadi aktif dan lampu akan menyala karena
terhubung dengan alternator.
3. Soal nomor 15 ( sensor suhu dan kelembaban ) [Kembali]
Rangkain aplikasi: Sensor LM35 untuk kipas angin otomatis
Prinsip kerja:
Tegangan Vcc menyuplai sensor, potensiometer, komparator, fungsi NOT, dan motor. Tegangan Vout sensor yang dimasukkan ke input komparator. Selanjutnya input komparator dibandingkan dengan tegangan referensi yang diatur menggunakan potensiometer. Besarnya Vout sensor sama dengan temperatur yang dideteksi, misalkan ketika suhu 25°C maka tegangan sensor adalah 0.25 V. Rangkaian pembanding digunakan untuk membandingkan antara Vout sensor dan Vref. Jika Vout lebih kecil dari Vref maka keluaran dari komparator adalah high atau sama dengan Vcc. Sebaliknya jika Vout sama atau lebih besar dari Vref maka keluaran komparator adalah sama dengan low atau sama dengan ground. Fungsi NOT dibangun dengan menggunakan gerbang logika NAND. Transistor berfungsi sebagai switch yang akan mengaktifkan kipas angin apabila mendapatkan tegangan high dari fungsi NOT atau gerbang NAND. Apabila suhu lebih atau sama dengan 25°C, maka kipas angin akan bergerak.
Rangkain aplikasi: Sensor LM35 untuk kipas angin otomatis
Prinsip kerja:
Tegangan Vcc menyuplai sensor, potensiometer, komparator, fungsi NOT, dan motor. Tegangan Vout sensor yang dimasukkan ke input komparator. Selanjutnya input komparator dibandingkan dengan tegangan referensi yang diatur menggunakan potensiometer. Besarnya Vout sensor sama dengan temperatur yang dideteksi, misalkan ketika suhu 25°C maka tegangan sensor adalah 0.25 V. Rangkaian pembanding digunakan untuk membandingkan antara Vout sensor dan Vref. Jika Vout lebih kecil dari Vref maka keluaran dari komparator adalah high atau sama dengan Vcc. Sebaliknya jika Vout sama atau lebih besar dari Vref maka keluaran komparator adalah sama dengan low atau sama dengan ground. Fungsi NOT dibangun dengan menggunakan gerbang logika NAND. Transistor berfungsi sebagai switch yang akan mengaktifkan kipas angin apabila mendapatkan tegangan high dari fungsi NOT atau gerbang NAND. Apabila suhu lebih atau sama dengan 25°C, maka kipas angin akan bergerak.
4. Soal nomor 17 ( sensor tekanan ) [Kembali]
Rangkaian aplikasi: Mengisi tangki air
Ketika Button (batas bawah) dihubungkan dan Button (batas atas) terputus, lampu masih menyala karena adanya arus positif yang masih bisa melewati transistor sehingga arus mengalir ke relay dan mengaktifkan relay. namun ketika kedua Button dihubungkan, lampu akan redup karena adanya arus negatif yang jika di tambah dengan arus positif pada R3 tadi maka akan bernilai 0 dan arus tidak bisa melewati resistor sehingga tidak mencapai relay, dan lampu redup.
Rangkaian aplikasi: Mengisi tangki air
Prinsip kerja:
Prinsip kerja
rangkaian diatas cukup sederhana, sensor LVDT diwakili oleh dua buah Button
yang apabila belum disentuh air, lampu akan menyala dan sebaliknya
apabila sudah mencapai batas, lampu akan redup yang artinya air sudah terisi
penuh, ketika lampu meredup dan mati maka motor pun akan terhenti.
Cara kerjanya ialah
ketika ada arus yang mengalir dari baterai 12V menuju kaki emiter Q4, R4, R1 dan
button bawah, apabila button bawah tidak tersambung maka tidak akan ada arus
yang mengali menuju R2 dan basis Q1, namun apabila button bawah tersambung maka
arus akan mengalir menuju R2 dan basis Q1, lalu arus pada R4 akan menuju R3 dan
kolektor Q1 karena adanya arus pada basis Q1 maka arus pada basis dan kolektor
Q1 Akan menngalir menuju emiter Q1 lalu menuju ground dan arus pada R3 akan
menuju kolektor Q2, R7, R5 dan basis Q3.
Kemudian arus yg mengalir menuju
emiter Q4 akan mengalir menuju basis Q4 dan R6 lalu kolektor Q3 karenna adanya
arus pada basis Q3 maka arus yang berada pada kolektor dan basis Q3 akan
mengalir menuju emiter Q3 dan menuju ground.
Karena ada arus pada basis Q4 maka arus yang berada pada emiter Q4 akan
mengalir menuju kolektor Q4. Arus dari R7 dan kolektor Q4 akan menuju relay
sehingga relay ON dan lampu serta motor menyala. Arus yang tadinya melalui R1 akan
menuju botton atas ketika button atas tidak tersambung maka tidak ada arus yang
mengalir menuju basis Q2 sehingga arus pada kolektor Q2 terhenti, namun ketika
button Q2 tersambung maka arus akan mengalir menuju basis Q2 sehingga arus pada
kolektor dan basis Q2 akan menuju emiter
Q2 dan menuju groun. Karena adnya arus yang melalui emiter Q2 maka arus
yg mengalir pada R7 akan melemah dan arus yg menuju ke relay tidak cukup
sehingga relay akan OFF dan lampu serta motor mati.
Ketika Button (batas bawah) dihubungkan dan Button (batas atas) terputus, lampu masih menyala karena adanya arus positif yang masih bisa melewati transistor sehingga arus mengalir ke relay dan mengaktifkan relay. namun ketika kedua Button dihubungkan, lampu akan redup karena adanya arus negatif yang jika di tambah dengan arus positif pada R3 tadi maka akan bernilai 0 dan arus tidak bisa melewati resistor sehingga tidak mencapai relay, dan lampu redup.
Rangkain aplikasi:
Prinsip kerja:
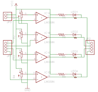
Cara kerja dari alat ini, yaitu dengan cara membaca sebuah objek berwarna yang telah ditempatkan secara manual pada tempat yang telah di tentukan, kemudian objek tersebut dibaca oleh 3 Photodioda yang telah dikombinasi dengan pantulan dari led RGB untuk membandingkan warna yang dideteksi, Masing – masing output dari Photodioda masuk ke dalam rangkaian komparator untuk diolah menjadi output digital dan agar nilai input dari photodioda dapat diset sesuai kondisi oleh trimpot yang terpasang pada rangkaian komparator. Setelah dapat menentukan warna apa yang telah dideteksi, Robot tangan akan memindahkan objek berwarna tersebut pada tempat yang telah ditentukan sesuai warna.
Prinsip kerja:
Cara kerja dari alat ini, yaitu dengan cara membaca sebuah objek berwarna yang telah ditempatkan secara manual pada tempat yang telah di tentukan, kemudian objek tersebut dibaca oleh 3 Photodioda yang telah dikombinasi dengan pantulan dari led RGB untuk membandingkan warna yang dideteksi, Masing – masing output dari Photodioda masuk ke dalam rangkaian komparator untuk diolah menjadi output digital dan agar nilai input dari photodioda dapat diset sesuai kondisi oleh trimpot yang terpasang pada rangkaian komparator. Setelah dapat menentukan warna apa yang telah dideteksi, Robot tangan akan memindahkan objek berwarna tersebut pada tempat yang telah ditentukan sesuai warna.






No comments:
Post a Comment